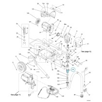
Pièces détachées pour pulvérisateurs électriques GRACO
Graco fabrique la gamme de solutions la plus complète et la plus professionnelle dans l’industrie de la peinture. Marque de prédilection des entreprises du secteur pour ses pulvérisateurs électriques sans air, mais également pour leur solide réputation, leur performance maximale, leur garantie fiable et leur productivité inégalée sur le chantier. Ci-dessous, des pièces détachées pour pulvérisateurs électriques : afficheur, moteur, bas de pompe, kit de réparation, cylindre... Matériel actuel et ancien, du pulvérisateur entrée de gamme, aux pulvérisateurs airless professionnels et de haute résistance. Pour la pulvérisation haute pression sans air d’enduits du bâtiment, acryliques, laques et teintures, revêtements et peintures, apprêts à base d’huile... Applications type : Intérieur/extérieur de résidence Nouvelle construction Peinture/Rénovation Entretien d’habitation Léger Commercial





















































