LineDriver Graco 233725 Epingle boule coupleur Line Driver GR113696 €21.00 Epingle bille coupleur Line Driver Graco d'origine ref 113696 pour modeles 233725 et 262004 et 262005 Add to basket
LineDriver Graco 233725 Vis cap Line Driver GR115348 €0.70 Vis chapeau, 3/8 X16 HEX Line Driver Graco d'origine ref 115348 pour modeles 262004 et 262005 et 233725 Add to basket
Line Driver Graco 262005 Rondelle sur silent bloc Lazer IV 200HS GR100023 €4.70 Rondelle sur silent bloc Lazer IV 200HS(Repère 170)Télécharger la notice de la machine ci-dessous Add to basket
LineDriver Graco 233725 Roue Line Driver modeles (262004 et 233725) GR245340 €223.00 Roue Line Driver pour modèle (262004 et 233725) Graco d'origine ref 245340 Add to basket
LineDriver Graco 233725 Moteur roue avec ecrou Line Driver GR116814 €1,490.00 Moteur roue avec ecrou Graco d'origine ref 116814 Add to basket
LineDriver Graco 233725 Goupille roue Line Driver GR100104 €1.60 Goupille roue Line Driver Graco d'origine ref 100104 Add to basket
Line Driver Graco 262005 Entretoise Line Driver modele 233725 GR195516 €8.80 Entretoise pour amortisseur moteur Line Driver modele 233725 Graco d'origine ref 195516 Add to basket
LineDriver Graco 233725 Rondelle silent bloc GR108851 €9.20 Rondelle silent bloc modeles (233725,262004,262005) Graco d'origine ref 108851 Add to basket
Line Driver Graco 262005 Vis a tete hex GR111302 €10.20 Vis a tete hex Line Driver modele 233725 Graco d'origine ref 111302 Add to basket
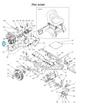
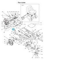
LineDriver Graco 233725 MOTEUR A ESSENCE 5.5 HP HONDA GX160 GR114530 €1,160.00 Moteur à essence Honda 5.5CV equipé d'un kit bobinage électrique 55W modele GX160QX (voir GMax™ II 5900 HD et 5900 HD PROCONNECT OPTIMUM. Line lazer 5900série II -III- IV -Line Driver modele 233725 et 262004 Add to basket
LineDriver Graco 233725 Lumiere halogen Line Driver GR116892 €234.00 Lumiere halogen Line Driver modeles (233725,262004,262005) Graco d'origine ref 116892 Add to basket
LineDriver Graco 233725 Siege avec interrupteur Line Driver GR245341 €624.00 Siege avec interrupteur Line Driver modeles (233725,262004,262005) Graco d'origine ref 245341 Add to basket
LineDriver Graco 233725 Capuchon interrupteur phare Line Driver GR195428 €15.00 Capuchon interrupteur phare Line Driver modeles (233725,262004,262005) Graco d'origine ref 195428 Add to basket
LineDriver Graco 233725 Capot de protection phare Line Driver GR107255 €4.60 Capot de protection phare Line Driver modeles (233725,262004,262005) Graco d'origine ref 107255 Add to basket
LineDriver Graco 233725 Bague de serrage interrupteur phare Line Driver GR105658 €1.30 Bague de serrage interrupteur phare Line Driver modeles (233725,262004,262005) Graco d'origine ref 105658 Add to basket
Line Driver Graco 262005 Obturateur tube carré Line Driver 233725 GR116895 €8.80 Obturateur tube carré Line Driver 233725 Graco d'origine ref 116895 Add to basket
LineDriver Graco 233725 Filtre hydraulique Line Driver GR245342 €117.00 Filtre hydraulique Line Driver modeles (233725, 262004, 262005) Graco d'origine ref 245342 Add to basket
Line Driver Graco 262005 Bras suppport phare Line Driver 233725 GR287678 €77.00 Bras suuport phare pour Line Driver 233725 Graco d'origine ref 287678 Add to basket
Line Driver Graco 262005 Manchon Line Driver 233725 GR114425 €5.60 Manchon pour phare du Line Driver 233725 Graco d'origine ref 114425 Add to basket
Line Driver Graco 262005 Pince chassis Line Driver 233725 GR224071 €76.00 Pince chassis Line Driver 233725 Graco d'origine ef 224071 Add to basket